Performance Data

Results

Validated by ARAI & third-party accredited labs. Proven across 20+ battery manufacturers.

OUR HIGHLIGHTS

Next-Generation Material for Battery Energy Storage

01
Fast Charge Capability

Fast Charge Capability (Up to 0.22C):

Stable, efficient charging up to 0.22C without material degradation.

02
Enhanced Capacity Across C-Rates

Enhanced Capacity Across C-Rates:

10–20% higher discharge capacity from C5 to C1 for better rate performance.

03
97% Ampere-Hour Efficiency

98% Ampere-Hour (Ah) Efficiency:

Minimal charge loss ensures strong cycle life and electrochemical stability.

04
85% Watt-Hour Efficiency

85% Watt-Hour (Wh) Efficiency:

Improved usable energy output with enhanced overall system efficiency.

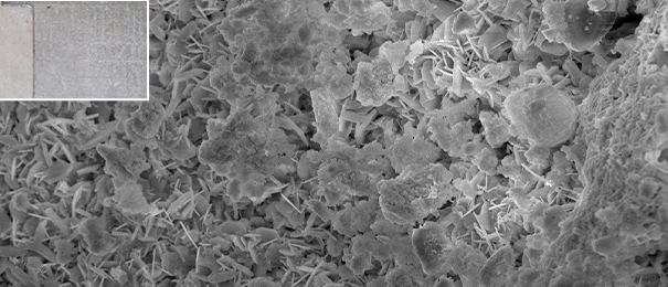
Application – FESEM

Cancrie Nanocarbon in Tubular Batteries Negative Mix

With Cancrie Nanocarbon Cancrie Nanocarbon Surface Structure
Surface Structure

Better bonding with active material - longer life

With Carbon Black Carbon Black Surface Structure
Conventional Structure

Lesser bonding of active material - shorter life

Differential

Cancrie Higher Carbon vs. Other Battery Carbon

  • Higher Volume: Cancrie Higher carbon offers a 3x greater volume than conventional battery carbon, making it an ideal choice for optimized performance in solar and inverter applications.
  • Superior Efficiency: With its larger volume, Cancrie Higher provides better conductivity, ensuring more effective energy storage and longer-lasting battery life.
  • Reliable Power Supply: This unique carbon structure ensures consistent power performance even under heavy loads, making it a key component in tubular flooded batteries.
Application

Tubular Flooded Batteries In Solars & Inverter

Life cycle performance at 80% DOD and C10 discharge rate improves significantly — increasing from around 900 cycles to roughly 1100 cycles.

25% more number of cycles with Cancrie Nanocarbon
Charging Behaviour

Motor Vehicle Starting Battery

60% Higher Charge Acceptance

Cancrie Nanocarbon delivers 100% Capacity at each charging rate
Validation

Proof of performance/Fast Charging

Charging Rate Battery with Carbon Black Battery with Cancrie Nanocarbon
0.12 C 100% 100%
0.14 C 98% 100%
0.16 C 91% 100%
0.18 C 84% 100%
0.25 C 82% 100%
Validation

Proof Of Performance / Efficiency

60% Higher Charge Acceptance

ARAI Recognized testing & validation partner

99%

Ah Efficiency

85%

Wh Efficiency